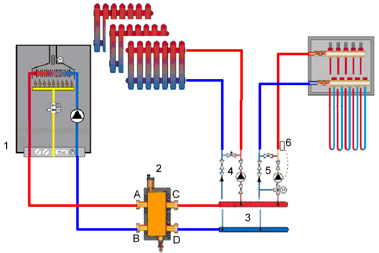
Hydraulische pijl (hydraulische pijl, hydraulische afscheider) – wat is het en waarom is het nodig?
Doel en werkingsprincipe: De hydraulische pijl (hydraulische pijl, hydraulische afscheider) dient voor het scheiden en verbinden van de primaire en […]

